info@mehprivod.ru
ООО Мехтехника
Тел.: 8 (800) 505-36-88

Червячный механизм NRV 030, NRV 040, NRV 050, NRV 063, NRV 075, NRV 090, NRV 110, NRV 130, NRV 150

Червячный механизм NRV 030, NRV 040, NRV 050, NRV 063, NRV 075, NRV 090, NRV 110, NRV 130, NRV 150

Червячный редуктор NRV характеризуется наличием универсального корпуса, который позволяет пользователю выполнять монтаж оборудования именно в таком положении, какого требует конкретный производственный процесс. Простая, но в то же время высоконадежная конструкция работает стабильно и бесшумно. Унифицированные присоединительные размеры редуктора позволяют эффективно и «безболезненно» заменять редуктором NRV вышедшие из строя механизмы других фирм-производителей. Максимально допустимая радиальная грузка на редуктор может достигать 16500Н, максимальный выходной момент - 1400 Н·м. Червячный редуктор NRV - это оптимальное и оправданное соотношение цена-качество.

Цена: от 2 950 руб.

  • Модель: NRV
  • Размер: 30 - 40 - 50 - 63 - 75 - 90 - 110 - 130 - 150
  • Передаточное число: "i" = 5:1 - 100:1

Общее описание:

Схема типового обозначения червячного редуктора NRV

тип типоразмер переда-
точное число
исполнение электро-
двигатель
двух-
сторонний входной вал
цилиндри-
ческий выходной вал
выходной фланец реактивная штанга
NMRV 030 - 130 5 - 3200 E SS - односторонний FL A мощность и обороты электро-
двигателя
NRV
PCRV DS - двухсторонний
DRV

Пример условного обозначения в заказе

NRV - 63 - 7,5 - B3

  • NRV - редуктор;
  • 63 - типоразмер (межосевое расстояние червячной пары);
  • 7,5 - передаточное число;
  • B3 - горизонтальная монтажная позиция.

Исполнение

Двухсторонний входной вал
  J d(j6) К m b1 t1
30 45 9 20 - 3 10.2
40 53 11 23 - 4 12.5
50 64 14 30 М6 5 16
63 75 19 40 М6 6 21.5
75 90 24 50 М8 8 27
90 108 24 50 М8 8 27
110 135 28 60 М10 8 31
130 155 30 80 М10 8 33
150 175 35 80 М12 10 38
Двухсторонний выходной вал
  d(h6) T T1 L1 Z Z1 m b1 t1
30 14 30 32.5 63 102 128 M6 5 16
40 18 40 43 78 128 164 М6 6 20.5
50 25 50 53.5 92 153 199 М10 8 28
63 25 50 53.5 112 173 219 М10 8 28
75 28 60 63.5 120 192 247 М10 8 31
90 35 80 84.5 140 234 309 М12 10 38
110 42 80 84.5 155 249 324 М16 12 45
130 45 80 85 170 265 340 М16 14 48.5
150 50 82 87 200 295 374 M13 14 53,5
Реактивная штанга
  L Н К D R В
30 85 14 24 8 15 4
40 100 14 31.5 10 18 4
50 100 14 36.5 10 18 4
63 150 14 49 10 18 6
75 200 25 47.5 20 30 6
90 200 25 57.5 20 30 6
110 250 30 62 25 35 6
130 250 30 69 25 35 6
150 250 30 84 25 35 6

Параметры зацепления червячной пары

типо-размер i 5 7.5 10 15 20 25 30 40 50 60 80 100
030 m 1.5 1.5 1.5 1.5 1 1.75 1.5 1 0.9 0.75 0.55 /
z1 6 4 3 2 2 1 1 1 1 1 1 /
y 29°3' 20°19' 15°31' 10°29" 5°42' 6°10' 5°17' 2°52' 3°26' 2°52' 1°58' /
nd 0.874 0.856 0.829 0.782 0.673 0.700 0.667 0.520 0.567 0.520 0.422 /
ns 0.723 0.675 0.637 0.559 0.461 0.442 0.400 0.308 0.319 0.275 0.221 /
040 m 2 2 2 2 1.6 1.25 2 1.6 1.25 1 0.8 0.65
z1 6 4 3 2 2 2 1 1 1 1 1 1
y 30°58' 21°48' 16°42' 11°19' 11°19' 8°8' 5°43' 5°43' 4°5' 2°52' 2°52" 2°29'
nd 0.886 0.862 0.839 0.805 0.792 0.738 0.675 0.668 0.604 0.541 0.513 0.477
ns 0.737 0.703 0.661 0.589 0.559 0.502 0.434 0.411 0.351 0.284 0.276 0.243
050 m 2.5 2.5 2.5 2.5 2 1.6 2.5 2 1.6 1.25 1 0.8
z1 6 4 3 2 2 2 1 1 1 1 1 1
y 30°58' 21°48' 16°42' 11°19' 11°19' 9°5" 5°43' 5°43' 4°21' 2°52' 2°52' 2°17'
nd 0.887 0.874 0.852 0.808 0.805 0.771 0.711 0.693 0.634 0.532 0.530 0.483
ns 0.737 0.695 0.654 0.581 0.561 0.517 0.434 0.403 0.352 0.289 0.270 0.227
063 m / 3.25 3.25 3.25 2.5 2 3.25 2.5 2 1.6 1.25 1
z1 / 4 3 2 2 2 1 1 1 1 1 1
y / 24°31' 18°53' 12°51' 11°19' 8°45' 6°30' 5°43' 4°24' 3°3' 2°52' 2°12'
nd / 0.880 0.870 0.830 0.820 0.780 0.740 0.716 0.660 0.571 0.562 0.486
ns / 0.710 0.670 0.600 0.557 0.510 0.450 0.409 0.360 0.304 0.276 0.229
075 m / 4 4 4 3 2.5 4 3 2.5 2 1.6 1.25
z1 / 4 3 2 2 2 1 1 1 1 1 1
y / 28°4' 21°48' 14°56' 11°19' 11°19' 7°36' 5°43' 5°43' 3°49' 4°21' 2°52'
nd / 0.912 0.904 0.876 0.850 0.848 0.810 0.770 0.769 0.695 0.719 0.626
ns / 0.712 0.683 0.614 0.570 0.542 0.466 0.420 0.395 0.342 0.316 0.267
090 m / 5 5 5 3.75 3 5 3.75 3 2.5 1.9 1.5
z1 / 4 3 2 2 2 1 1 1 1 1 1
y / 33°41' 26°34' 18°26' 14°02' 11°19' 9°28' 7°08' 5°43' 4°46' 3°53' 2°52'
nd / 0.905 0.898 0.873 0.849 0.824 0.804 0.765 0.727 0.690 0.638 0.572
ns / 0.734 0.706 0.650 0.606 0.563 0.505 0.459 0.414 0.380 0.342 0.271
110 m / 5.9 5.9 5.9 4.6 3.75 5.9 4.6 3.75 3.15 2.4 1.9
z1 / 4 3 2 2 2 1 1 1 1 1 1
y / 28°46' 22°22' 15°21' 14°20' 14°02' 7°49' 7°17' 7°08' 5°48' 4°54' 3°37'
nd / 0.901 0.891 0.862 0.848 0.851 0.793 0.776 0.768 0.729 0.692 0.628
ns / 0.721 0.691 0.631 0.618 0.598 0.482 0.478 0.451 0.415 0.372 0.319
130 m / 7 7 7 5.4 4.4 7 5.4 4.4 3.75 2.75 2.25
z1 / 4 3 2 2 2 1 1 1 1 1 1
y / 29°15' 22°47' 15°39' 13°47' 12°24' 7°58' 7°00' 6°17' 6°7' 3°56' 3°41'
nd / 0.911 0.891 0.872 0.860 0.845 0.803 0.779 0.758 0.749 0.671 0.657
ns / 0.721 0.691 0.631 0.610 0.583 0.492 0.460 0.435 0.406 0.335 0.308

Допускаемая радиальная консольная нагрузка на выходном валу

Допускаемая радиальная консольная нагрузка на выходном валу

i n2 030 040 050 063 075 090 110 130
5 280 599 1149 1586 2062 2428 2687 3389 4433
7.5 186 691 1325 1829 2378 2799 3098 3908 5112
10 140 758 1454 2007 2609 3072 3400 4288 5610
15 94 868 1665 2298 2988 3518 3893 4910 6424
20 70 954 1829 2525 3283 3665 4277 5395 7057
25 56 1033 1981 2735 3556 4187 4633 5844 7645
30 47 1086 2087 2881 3745 4410 4880 6155 8052
40 35 1204 2309 3188 4145 4880 5401 6812 8912
50 28 1296 2485 3431 4461 5252 5812 7331 9590
60 24 1381 2649 3658 4756 5599 6196 7815 10224
80 18 1516 2907 4014 5218 6144 6799 8576 11219
100 14 1638 3142 4338 5639 6639 7348 9268 12124

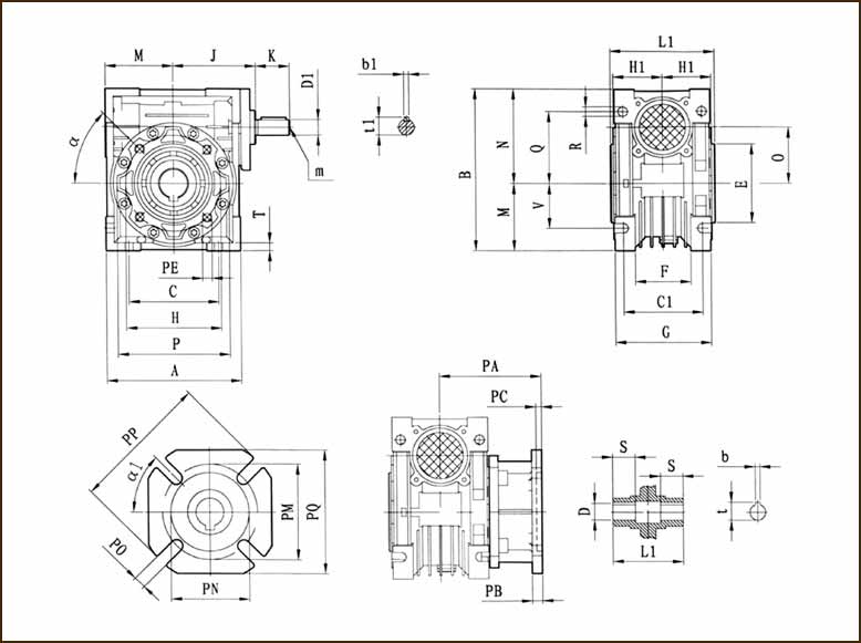
Габаритные и присоединительные размеры

Габаритные и присоединительные размеры NRV

NRV A В С C1 D(H7) D1(j6) E(h8) F G H H1 J К L1 M N 0 P Q R
30 80 97 54 44 14 9 55 32 56 65 29 51 20 63 40 57 30 75 44 6.5
40 100 121.5 70 60 18(19) 11 60 43 71 75 36.5 60 23 78 50 71.5 40 87 55 6.5
50 120 144 80 70 25(24) 14 70 49 85 85 43.5 74 30 92 60 84 50 100 64 8.5
63 144 174 100 85 25(28) 19 80 67 103 95 53 90 40 112 72 102 63 110 80 8.5
75 172 205 120 90 28(35) 24 95 72 112 115 57 105 50 120 86 119 75 140 93 11
90 206 238 140 100 35(38) 24 110 74 130 130 67 125 50 140 103 135 90 160 102 13
110 252.5 295 170 115 42 28 130 - 144 165 74 142 60 155 127.5 167.5 110 200 125 14
130 292.5 335 200 120 45 30 180 - 155 215 81 162 80 170 147.5 187.5 130 250 140 16
150 340 400 240 145 50 35 180 - 185 215 96 195 80 200 170 230 150 250 180 18

NRV S T V PA PB PC PE PM PN(HB) PO PP PQ b b1 t t1 m a a1 kg
30 21 5.5 27 54.5 6 4 M6x11 (n=4) 68 50 6.5(n=4) 80 70 5 3 16.3 10.2 - 45" 1.2
40 26 6.5 35 67 7 4 M6x8 (n=4) 75 60 9(n=4) 110 95 6 4 20.8 (21.8) 12.5 - 45° 45° 2.3
50 30 7 40 90 9 5 M8x10 (n=4) 85 70 11(n=4) 125 110 8 5 28.3 (27.3) 16.0 M6 45° 45° 3.5
63 36 8 50 82 10 6 M8x14 (n=8) 150 115 11(n=4) 180 142 8 6 28.3 (31.3) 21.5 M6 45° 45° 6.2
75 40 10 60 111 13 6 M8x14 (n=8) 165 130 14(n=4) 200 170 8 8 31.3 (38.3) 27.0 M8 45° 45" 9
90 45 11 70 111 13 6 M10x18 (n=8) 175 152 14(n=4) 210 200 10 8 38.3 (41.3) 27.0 M8 45° 45" 13
110 50 14 85 131 15 6 M10x18 (n=8) 230 170 14(n=8) 280 260 12 8 45.3 31.0 M10 45° 45° 42.5
130 60 15 100 140 15 6 M12x21 (n=8) 255 180 16(n=8) 320 290 14 8 48.8 33.0 M10 45° 22.5° 59
150 72.5 18 120 155 15 6 M12x21 (n=8) 255 180 16(n=6) 320 290 14 10 53.8 38 M12 45° 22.5 87

Объём заливаемого масла (л)

RV 030 040 050 063 075 090 110 130 150
B3 0.042 0.081 0.153 0.3 0.58 1.02 3.02 4.55 7
B8 2.25 3.35 5.1
B6,B7 2.55 3.55 5.4
V5,V6 3.02 4.55 7